1.
size:DN40-DN600;2’’-24’’
2.Medium:water
3.Standard:EN593/AWWA C504/MSS SP-67
4.Pressure:CLASS 125-300/PN10-25/200-300PSI
5.Material:CI,DI
6.Type:wafer type,lug type,double flange type,U type,groove-end
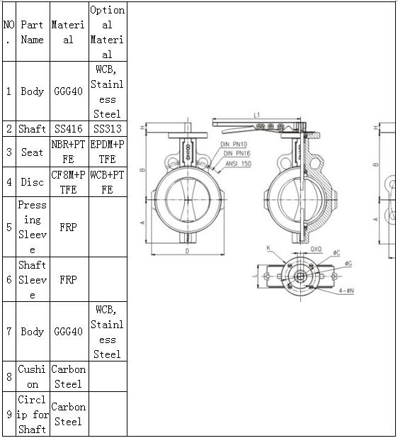
TECHNICAL REQUIREMENT :
● Design and Manufacture Conform to API609
● Flange dimensions Conform to EN1092-2/ANSI B16.1
● Testing Conform to API 598
● Driving mode: lever, worm actuator, electric, pheumatic

Dimensions data(mm)
|
DN |
A |
B |
ΦC |
D |
L |
L1 |
H |
ΦK |
ΦG |
4-ΦN |
QXQ |
|
|
DN50 |
60 |
138 |
35 |
153 |
47 |
240 |
32 |
65 |
50 |
6.7 |
11X11 |
|
|
DN65 |
72 |
140 |
35 |
155 |
50 |
240 |
32 |
65 |
50 |
6.7 |
11X11 |
|
|
DN80 |
85 |
140 |
35 |
180 |
50 |
240 |
32 |
65 |
50 |
6.7 |
11X11 |
|
|
DN100 |
102 |
160 |
55 |
205 |
56 |
265 |
32 |
90 |
70 |
10.3 |
14X14 |
|
|
DN125 |
120 |
175 |
55 |
240 |
59 |
265 |
32 |
90 |
70 |
10.3 |
14X14 |
|
|
DN150 |
137 |
189 |
55 |
265 |
59 |
265 |
32 |
90 |
70 |
10.3 |
17X17 |
|
|
DN200 |
169 |
230 |
55 |
320 |
63 |
366 |
32 |
90 |
70 |
10.3 |
17X17 |
|
|
DN250 |
200 |
260 |
72 |
385 |
68 |
366 |
45 |
125 |
102 |
14.5 |
22X22 |
|
|
DN300 |
230 |
306 |
72 |
450 |
73 |
366 |
45 |
125 |
102 |
14.5 |
27X27 |
|
|
DN350 |
251 |
333 |
72 |
480 |
86 |
366 |
45 |
125 |
102 |
14.5 |
28X28 |
|
|
DN400 |
311 |
418 |
72 |
555 |
91 |
366 |
45 |
125 |
102 |
14.5 |
28X28 |
|
QINGDAO HUAZHAN MACHINERY CO. LTD.
ADDRESS:Zhaoyin Mansion,36,Hongkong Middle Road, Qingdao 266071,China
TEL:+86-532-82661620
FAX:+86-532-82661612
E-Mail:max@qdhuazhan.com
moncy@qdhuazhan.com
info@qdhuazhan.com