Welcome: QINGDAO HUAZHAN MACHINERY CO. LTD.

Butterfly Valve

  • EN593 PN10PN16PN25Class 125Double Shaft Butterfly Valve
EN593 PN10PN16PN25Class 125Double Shaft Butterfly Valve

EN593 PN10PN16PN25Class 125Double Shaft Butterfly Valve

EN593 PN10/PN16/PN25/Class 125/Double Shaft Butterfly Valve

1.size:DN40-DN600;2’’-24’’
2.Medium:water
3.Standard:EN593/AWWA C504/MSS SP-67
4.Pressure:CLASS 125-300/PN10-25/200-300PSI
5.Material:CI,DI
6.Type:wafer type,lug type,double flange type,U type,groove-end

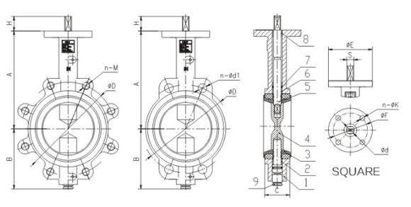
Description

TECHNICAL REQUIREMENT :
● Design and Manufacture  Conform to EN593, API609
● Flange dimensions  Conform to EN1092-2/ANSI B16.1
● Face to Face  dimensions Conform to EN558-1
● Testing Conform to  EN12266-1, API 598
● Driving mode: lever, worm actuator, electric, pheumatic

Specification

NO.

Part Name

Material

Optional Material

1

Body

DI

CI, WCB, Stainless Steel

2

Down Bearing

F4

Bronze

3

Seat

NBR

EPDM, FKM

4

Disc

Plated Ductile Iron

ASTM A351 CF8/CF8M, B148 C954/C958

5

Upper Shaft

ASTM A276 416

304, 316, 17-4PH

6

Middle Bearing

F4

Bronze

7

O Ring

NBR

EPDM, FKM

8

Upper Bearing

F4

Bronze

9

Down Shaft

ASTM A276 416

304, 316, 17-4PH

10

Retaining Pin

ASTM A276 416

316


Dimensions data(mm)


DN

A

B

C

H

ΦE

ΦF

N-ΦK

Φd

G

EN1092-2 PN10

EN1092-2 PN16

ANSI CLASS 125

ΦD

n-Φd1

n-M

ΦD

n-Φd1

n-M

ΦD

n-Φd1

n-M

DN40

120 (140)

75

33

32

90

50

4-Φ7

12.6

9.5

110

4-Φ19

4-M16

110

4-Φ19

4-M16

98.5

4-Φ16

4-1/2"

DN50

124 (161)

80

43

32

90

50

4-Φ7

12.6

9.5

125

4-Φ19

4-M16

125

4-Φ19

4-M16

120.5

4-Φ19

4-5/8"

DN65

134 (175)

89

46

32

90

50

4-Φ7

12.6

9.5

145

4-Φ19

4-M16

145

4-Φ19

4-M16

139.5

4-Φ19

4-5/8"

DN80

141 (181)

95

46

32

90

50

4-Φ7

12.6

9.5

160

8-Φ19

8-M16

160

8-Φ19

8-M16

152.5

4-Φ19

4-5/8"

DN100

156 (200)

114

52

32

90

70

4-Φ10

15.8

11.1

180

8-Φ19

8-M16

180

8-Φ19

8-M16

190.5

8-Φ19

8-5/8"

DN125

168 (213)

127

56

32

90

70

4-Φ10

18.92

12.7

210

8-Φ19

8-M16

210

8-Φ19

8-M16

216

8-Φ22

8-3/4"

DN150

184 (226)

140

56

32

90

70

4-Φ10

18.92

12.7

240

8-Φ23

8-M20

240

8-Φ23

8-M20

241.5

8-Φ22

8-3/4"

DN200

213 (260)

175

60

45

125

102

4-Φ12

22.1

15.9

295

8-Φ23

8-M20

295

12-Φ23

12-M20

298.5

8-Φ22

8-3/4"

DN250

244 (292)

220

68

45

125

102

4-Φ12

28.45

22

350

12-Φ23

12-M20

355

12-Φ28

12-M24

362

12-Φ25

12-7/8"

DN300

283 (337)

255

78

45

150

125

4-Φ14

31.6

24

400

12-Φ23

12-M20

410

12-Φ28

12-M24

432

12-Φ25

12-7/8"


LATEST NEWS

CONTACT US

QINGDAO HUAZHAN MACHINERY CO. LTD.

ADDRESS:Zhaoyin Mansion,36,Hongkong Middle Road, Qingdao 266071,China

TEL:+86-532-82661620

FAX:+86-532-82661612

E-Mail:max@qdhuazhan.com

moncy@qdhuazhan.com

info@qdhuazhan.com