1.size:DN40-DN600;2’’-24’’
2.Medium:water
3.Standard:EN593/AWWA C504/MSS SP-67
4.Pressure:CLASS 125-300/PN10-25/200-300PSI
5.Material:CI,DI
6.Type:wafer type,lug type,double flange type,U type,groove-end
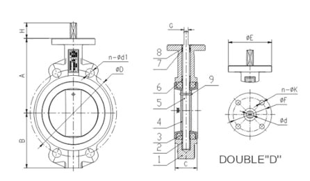
TECHNICAL REQUIREMENT :
● Design and Manufacture Conform to EN593, API609
● Flange dimensions Conform to EN1092-2/ANSI B16.1
● Face to Face dimensions Conform to EN558-1
● Testing Conform to EN12266-1, API 598
● Driving mode: lever, worm actuator, electric, pheumatic
|
NO. |
Part Name |
Material |
Optional Material |
|
|
1 |
Body |
DI |
CI, WCB, Stainless Steel |
|
|
2 |
Down Bearing |
F4 |
Bronze |
|
|
3 |
Seat |
NBR |
EPDM, FKM |
|
|
4 |
Disc |
Plated Ductile Iron |
ASTM A351 CF8/CF8M, B148 C954/C958 |
|
|
5 |
Shaft |
ASTM A276 416 |
304, 316, 17-4PH |
|
|
6 |
Middle Bearing |
F4 |
Bronze |
|
|
7 |
Upper Bearing |
F4 |
Bronze |
|
|
8 |
O Ring |
NBR |
EPDM, FKM |
|
|
9 |
Pin |
ASTM A276 416 |
316, 17-4PH, Monel |
Dimensions data(mm)
|
DN |
A |
B |
C |
H |
ΦE |
ΦF |
N-ΦK |
Φd |
G |
EN1092-2 PN10 |
EN1092-2 PN16 |
ANSI CLASS 125 |
||||||
|
ΦD |
n-Φd1 |
n-M |
ΦD |
n-Φd1 |
n-M |
ΦD |
n-Φd1 |
n-M |
||||||||||
|
DN40 |
120 (140) |
75 |
33 |
32 |
90 |
50 |
4-Φ7 |
12.6 |
9.5 |
110 |
4-Φ19 |
4-M16 |
110 |
4-Φ19 |
4-M16 |
98.5 |
4-Φ16 |
4-1/2" |
|
DN50 |
124 (161) |
80 |
43 |
32 |
90 |
50 |
4-Φ7 |
12.6 |
9.5 |
125 |
4-Φ19 |
4-M16 |
125 |
4-Φ19 |
4-M16 |
120.5 |
4-Φ19 |
4-5/8" |
|
DN65 |
134 (175) |
89 |
46 |
32 |
90 |
50 |
4-Φ7 |
12.6 |
9.5 |
145 |
4-Φ19 |
4-M16 |
145 |
4-Φ19 |
4-M16 |
139.5 |
4-Φ19 |
4-5/8" |
|
DN80 |
141 (181) |
95 |
46 |
32 |
90 |
50 |
4-Φ7 |
12.6 |
9.5 |
160 |
8-Φ19 |
8-M16 |
160 |
8-Φ19 |
8-M16 |
152.5 |
4-Φ19 |
4-5/8" |
|
DN100 |
156 (200) |
114 |
52 |
32 |
90 |
70 |
4-Φ10 |
15.8 |
11.1 |
180 |
8-Φ19 |
8-M16 |
180 |
8-Φ19 |
8-M16 |
190.5 |
8-Φ19 |
8-5/8" |
|
DN125 |
168 (213) |
127 |
56 |
32 |
90 |
70 |
4-Φ10 |
18.92 |
12.7 |
210 |
8-Φ19 |
8-M16 |
210 |
8-Φ19 |
8-M16 |
216 |
8-Φ22 |
8-3/4" |
|
DN150 |
184 (226) |
140 |
56 |
32 |
90 |
70 |
4-Φ10 |
18.92 |
12.7 |
240 |
8-Φ23 |
8-M20 |
240 |
8-Φ23 |
8-M20 |
241.5 |
8-Φ22 |
8-3/4" |
|
DN200 |
213 (260) |
175 |
60 |
45 |
125 |
102 |
4-Φ12 |
22.1 |
15.9 |
295 |
8-Φ23 |
8-M20 |
295 |
12-Φ23 |
12-M20 |
298.5 |
8-Φ22 |
8-3/4" |
|
DN250 |
244 (292) |
220 |
68 |
45 |
125 |
102 |
4-Φ12 |
28.45 |
22 |
350 |
12-Φ23 |
12-M20 |
355 |
12-Φ28 |
12-M24 |
362 |
12-Φ25 |
12-7/8" |
|
DN300 |
283 (337) |
255 |
78 |
45 |
150 |
125 |
4-Φ14 |
31.6 |
24 |
400 |
12-Φ23 |
12-M20 |
410 |
12-Φ28 |
12-M24 |
432 |
12-Φ25 |
12-7/8" |
|
DN350 |
368 |
267 |
78 |
45 |
150 |
125 |
4-Φ14 |
31.6 |
24 |
460 |
16-Φ23 |
16-M20 |
470 |
16-Φ28 |
16-M24 |
476 |
12-Φ29 |
12-1" |
|
DN400 |
400 |
323 |
102 |
50 |
150 |
125 |
4-Φ14 |
33.15 |
27 |
515 |
16-Φ28 |
16-M24 |
525 |
16-Φ31 |
16-M27 |
539.5 |
16-Φ29 |
16-1" |
|
DN450 |
422 |
342 |
114 |
50 |
210 |
140 |
4-Φ18 |
37.95 |
27 |
565 |
20-Φ28 |
20-M24 |
585 |
20-Φ31 |
20-M27 |
578 |
16-Φ32 |
16-1 1/8" |
|
DN500 |
479 |
373 |
127 |
60 |
210 |
140 |
4-Φ18 |
41.12 |
32 |
620 |
20-Φ28 |
20-M24 |
650 |
20-Φ34 |
20-M31 |
635 |
20-Φ32 |
20-1 1/8" |
|
DN600 |
562 |
467 |
154 |
70 |
210 |
165 |
4-Φ22 |
50.62 |
36 |
725 |
20-Φ31 |
20-M27 |
770 |
20-Φ37 |
20-M33 |
749.5 |
20-Φ35 |
20-1 1/4" |
|
DN700 |
624 |
524 |
165 |
72
PREVIOUS:EN593 PN10PN16PN25Class 125LUG Type Spling Sh
NEXT:EN593 PN10PN16PN25Class 125Wafer Type Spling
CATEGORIESLATEST NEWSCONTACT USQINGDAO HUAZHAN MACHINERY CO. LTD. ADDRESS:Zhaoyin Mansion,36,Hongkong Middle Road, Qingdao 266071,China TEL:+86-532-82661620 FAX:+86-532-82661612 E-Mail:max@qdhuazhan.com moncy@qdhuazhan.com info@qdhuazhan.com | ||||||||||||||